Overblog Tous les blogs Top blogs Musique & Divertissements Tous les blogs Musique & Divertissements
Suivre ce blog Administration + Créer mon blog
MENU
27 avril 2025 7 27 /04 /avril /2025 20:04

Voiçi déja la bête toute entière. Seul le module de gauche va nous intéresser.

MODIFICATION DU MODULE SYNTHE DU CAVAGNOLO DJET008

Photos du PCB recto verso

MODIFICATION DU MODULE SYNTHE DU CAVAGNOLO DJET008
MODIFICATION DU MODULE SYNTHE DU CAVAGNOLO DJET008

On peut très bien construire une alim 2x12V et prévoir un transfo 2x15V.

Mais on peut aussi récupérer l'alim d'origine en ne gardant que la partie sur les photos.

MODIFICATION DU MODULE SYNTHE DU CAVAGNOLO DJET008
MODIFICATION DU MODULE SYNTHE DU CAVAGNOLO DJET008

Les connections entrée/sortie et modif du gate qui d'origine est inversé.

Pour cela on utilisera un simple transistor.

MODIFICATION DU MODULE SYNTHE DU CAVAGNOLO DJET008
MODIFICATION DU MODULE SYNTHE DU CAVAGNOLO DJET008

Le CV d'origine etant de 0,68V/oct il suffira de remplacer une résistance de 100K par un trimmer multitour ainsi qu'une résitance 22K pour obtenir 1V/oct comme indiqué çi-dessous.

MODIFICATION DU MODULE SYNTHE DU CAVAGNOLO DJET008

Maintenant pour adapter le potard de tune il suffira de faire un "shunt" à la place de la résistance 47K.

MODIFICATION DU MODULE SYNTHE DU CAVAGNOLO DJET008

Maintenant pour booster la résonance que je trouve très bridée il suffira de remplacer la résistance de réinjection du signal de 10K par une 1K.

MODIFICATION DU MODULE SYNTHE DU CAVAGNOLO DJET008

Entrée filtre ainsi que réglage des 4 pas de l'oscillateur.

MODIFICATION DU MODULE SYNTHE DU CAVAGNOLO DJET008

Les condensateurs "tropical fish" ne sont pas au mieux de leur forme.

MODIFICATION DU MODULE SYNTHE DU CAVAGNOLO DJET008

Intérieur.

MODIFICATION DU MODULE SYNTHE DU CAVAGNOLO DJET008

Le module terminé.

MODIFICATION DU MODULE SYNTHE DU CAVAGNOLO DJET008
MODIFICATION DU MODULE SYNTHE DU CAVAGNOLO DJET008
MODIFICATION DU MODULE SYNTHE DU CAVAGNOLO DJET008

Schémas de la partie monophonique du DJET008

Partager cet article
Repost0
30 mars 2022 3 30 /03 /mars /2022 18:40
FABRICATION D'UNE PEDALE DOD 680

Intérieur de l'original

FABRICATION D'UNE PEDALE DOD 680
FABRICATION D'UNE PEDALE DOD 680

Le schémas. Personellement j'ai modifié l'alim en utilisant un pont de diode et un transfo 18V. Cela permet un meilleur redressement de la tension.

FABRICATION D'UNE PEDALE DOD 680

Schémas avec composants

FABRICATION D'UNE PEDALE DOD 680

Le cablage

FABRICATION D'UNE PEDALE DOD 680

Le PCB

FABRICATION D'UNE PEDALE DOD 680

Une idée de face avant

Partager cet article
Repost0
19 février 2021 5 19 /02 /février /2021 19:34

Première intervention sous les panels gauche et droit. Il faut débrancher tous les connecteurs et les pinoches. Pour cela il est essentiel de bien les numéroter.

REPARATION de BASE sur un POLYMOOG

Le panel gauche :

On remplacera tous les CD4007 ainsi que les 74LS01 qui pilotent les LED (remplacées par des LED 3mm)

Les 3 diodes Zener indiquées par une flèche rouge (très important) 

CP1 : P6KE6,8

CP2 : P6KE16A

CP3 : P6KE16A

REPARATION de BASE sur un POLYMOOG

Le panel droit :

On remplacera tous les CD4007 ainsi que les 74LS01 qui pilotent les LED (remplacées par des LED 3mm)

La diode Zener indiquée par une flèche rouge à gauche (très important) P6KE12A

Les deux autres flèches indiquent la place des condensateurs tantales originaux qui ont été, sur cette photos, remplacés par les electrochimiques.

REPARATION de BASE sur un POLYMOOG

La carte VCO :

Les 4 flèches rouge indiquent la position des tantales à remplacer par des électrochimiques.

 

REPARATION de BASE sur un POLYMOOG

Voila à quoi ressemblent ces fameux tantales, on en trouve dans tous les synthés MOOG de cette époque. Le coté arrondi est le +

REPARATION de BASE sur un POLYMOOG

La carte VCF :

Les 2 flèches rouge indiquent les deux tantales à remplacer par des électrochimiques.

REPARATION de BASE sur un POLYMOOG

Les cartes "Master Clock"

Içi aussi on trouveras deux tantales à remplacer suivant la photo suivante

REPARATION de BASE sur un POLYMOOG

Cartes "Polycom" :

Le clavier est divisé en trois parties de 2 octaves chacunes.

Dans chaque partie on trouvera une carte "polycom" avec des tantales à remplacer

 

REPARATION de BASE sur un POLYMOOG
REPARATION de BASE sur un POLYMOOG

Le clavier :

Bien numéroter les touches car les claviers PRATT sont un peu "archaique" niveaux mécanique.

REPARATION de BASE sur un POLYMOOG

Première chose à faire retirer les ressorts de touches avec une pince à becs fins.

 

REPARATION de BASE sur un POLYMOOG

Vous remarquerez qu'il y a deux couleurs qui correspondent à des tirants différents. Ne les mélangez pas.

REPARATION de BASE sur un POLYMOOG

Maintenant on peut enlever les touches.

REPARATION de BASE sur un POLYMOOG

On nettoie, on remplace les bushings et on remonte !

REPARATION de BASE sur un POLYMOOG

Terminé

REPARATION de BASE sur un POLYMOOG

Puis si on veut le moderniser on peut remplacer l'alim analogique par des alims à découpage.

REPARATION de BASE sur un POLYMOOG
REPARATION de BASE sur un POLYMOOG
Partager cet article
Repost0
9 février 2020 7 09 /02 /février /2020 11:42

Je viens de récupérer un 800DV il ne faisait plus de sons - Il avait déjà une sale gueule mais après ouverture c'est pire - Les cartes tenaient avec du polystyrène

Restauration KORG 800DV
Restauration KORG 800DV
Restauration KORG 800DV

Premier constat - Test des sorties CV du clavier - Rien - Investigation puis échange de 4 transistors FET des 2SK30A remplacés par des equivalents BF245B (multiplexage du clavier 44 transistors) - Ouf ça sort du coup la section Upper fonctionne - Par contre rien sur la section Lower - Apres une chasse au signal BF avec mon petit écouteur je suis arrivé a une conclusion - le signal de l'oscillo arrive sur la carte sort du filtre HP qui réagis a la commande du potard arrive sur le LP mais n'en ressort pas - Apres moultes mesures j'en suis venu a déduire que le module KEIO était mort . Saloperie!

Restauration KORG 800DV

Bon place aux photos je vais essayer de l'ouvrir ce module qui est serti dans un espèce de bloc siliconné.

Ca a pas l'air trop dur, le caoutchouc est mou et avec un peu de patience...

Restauration KORG 800DV

Voila c'est fait . Non sans mal le module est ouvert . Que voit t'on ? des transistors des diodes qui ont pu claquer.

Restauration KORG 800DV
Restauration KORG 800DV

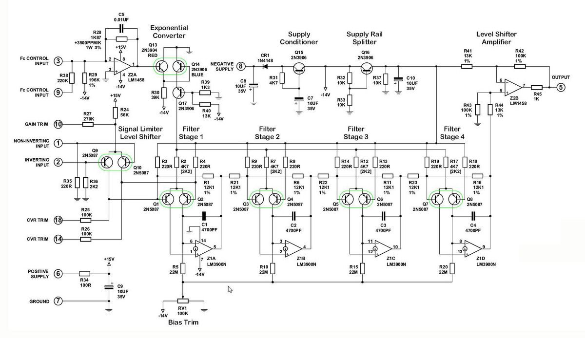
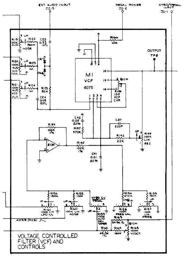
Le mieux c'est déja de déssouder les transistors et de les tester. Tiens yen a un qui est en court-circuit? Je le change par un équivalent. Voiçi un schéma du filtre que j'ai complété. Pour le brochage des transistors on peut prendre des BCxxxL comme indiqué qui ont le même brochage que les originaux mais on peut aussi prendre des BCxxx qui ont la base collecteur inversés.

Restauration KORG 800DV

Pour ceux qui seraient intéréssés par le clonage voiçi les schémas du CI

Restauration KORG 800DV

PCB du VCF

Restauration KORG 800DV

Maintenant au module VCO

Restauration KORG 800DV
Restauration KORG 800DV
Restauration KORG 800DV

Les composants sont traversants et servent de pinoches

Restauration KORG 800DV
Restauration KORG 800DV
Restauration KORG 800DV

PCB du VCO

Restauration KORG 800DV

Petite montée d'adrénaline au moment de rebrancher la machine; ça marche OUF!

Allez place à l'aspect esthétique maintenant. Toujours avec le même principe des photocopies plastifiées pour la façe avant et de la belle déco en bois pour le reste.

Restauration KORG 800DV
Restauration KORG 800DV
Restauration KORG 800DV
Restauration KORG 800DV
Partager cet article
Repost0
21 décembre 2019 6 21 /12 /décembre /2019 14:24

En premier lieu il conviendra de connecter un lecteur de disquette au PC

Lecture d'une disquette de Prophet2000 sur un PC

Ensuite il faudra téléchager un pilote spécifique qui permet de lire le contenu d'un disque non-DOS et de l'enregistrer au format HFE

https://simonowen.com/fdrawcmd/FdInstall.exe

Ensuite installer l'application "HxCFloppyEmulator" qui permettra de lire et modifier les disquettes 

https://hxc2001.com/download/floppy_drive_emulator/HxCFloppyEmulator_soft.zip

On ouvre l'application et on clique sur "Floppy disk dump"

Lecture d'une disquette de Prophet2000 sur un PC

Ensuite cliquer sur "Read Disk" , il va commencer à charger tous les secteurs et indiquer ceux défecteux au cas ou.

Lecture d'une disquette de Prophet2000 sur un PC

Une fois le balayage effectué, cliquez sur OK, la disquette est chargée dans l'application maintenant il va falloir sauvegarder le fichier

Lecture d'une disquette de Prophet2000 sur un PC

Pour sauvegarder au format HFE il faut cliquer sur "Export" , le fichier sera directement utilisable sur votre carte SD

Lecture d'une disquette de Prophet2000 sur un PC
Lecture d'une disquette de Prophet2000 sur un PC
Partager cet article
Repost0
4 juin 2019 2 04 /06 /juin /2019 18:26
Partager cet article
Repost0
6 décembre 2017 3 06 /12 /décembre /2017 16:26

BOSS CE-1 Chorus

Je profite de l'occasion , un ami m'a passé un chorus Boss en réparation , je vais en profiter pour le cloner

Clonage du chorus BOSS CE-1 et du phaser ROLAND AP-7

Voila les entrailles de la bête !

Clonage du chorus BOSS CE-1 et du phaser ROLAND AP-7

Le circuit imprimmé

Clonage du chorus BOSS CE-1 et du phaser ROLAND AP-7
Clonage du chorus BOSS CE-1 et du phaser ROLAND AP-7

Il faudra faire ATTENTION , il existe 2 VERSIONS de ce chorus

- 1 avec des TA7504

- 1 avec des TA7136

Celle décrite dans ce blog est celle avec des TA7136 mais vous trouverez plus bas les photos des 2 modèles .

Les modifs se font autour du TA 7504 en changeant les condensateurs céramique de place et en supprimant les résistances 100K a coté du TA 

Version avec des TA7504

Clonage du chorus BOSS CE-1 et du phaser ROLAND AP-7

Version avec des TA7136

Clonage du chorus BOSS CE-1 et du phaser ROLAND AP-7

De plus la version TA7136 possède une modif sous le circuit, 4 diodes a placer selon l'image çi-après

Clonage du chorus BOSS CE-1 et du phaser ROLAND AP-7

Circuit imprimé vu de dessous

Clonage du chorus BOSS CE-1 et du phaser ROLAND AP-7

Implantation des composants

Clonage du chorus BOSS CE-1 et du phaser ROLAND AP-7

On utilisera un transfo 2x18V bien qu'un de 2x15V suffise

Clonage du chorus BOSS CE-1 et du phaser ROLAND AP-7

Et enfin le schémas

Clonage du chorus BOSS CE-1 et du phaser ROLAND AP-7

-----------------------------------------------------------------------------------------------------------------------------

 

ROLAND AP-7 Phaser

Vue d'ensemble

Clonage du chorus BOSS CE-1 et du phaser ROLAND AP-7
Clonage du chorus BOSS CE-1 et du phaser ROLAND AP-7

Implantation des composants

Clonage du chorus BOSS CE-1 et du phaser ROLAND AP-7

Cablage 

Clonage du chorus BOSS CE-1 et du phaser ROLAND AP-7

Circuit imprimmé

Clonage du chorus BOSS CE-1 et du phaser ROLAND AP-7
Clonage du chorus BOSS CE-1 et du phaser ROLAND AP-7

Mise en boitier de l'ensemble

Le chorus

Clonage du chorus BOSS CE-1 et du phaser ROLAND AP-7

Le phaser

Clonage du chorus BOSS CE-1 et du phaser ROLAND AP-7

Une fois fini et bati dans un vieux boitier de récup !

Clonage du chorus BOSS CE-1 et du phaser ROLAND AP-7
Partager cet article
Repost0
9 juillet 2017 7 09 /07 /juillet /2017 20:24

Tout dabord une vue d'ensemble

Etude des racks RSF - EXPANDER 2

Carte EMBASE

Etude des racks RSF - EXPANDER 2
Etude des racks RSF - EXPANDER 2
Etude des racks RSF - EXPANDER 2

Carte Fille

Etude des racks RSF - EXPANDER 2
Etude des racks RSF - EXPANDER 2

Schémas de l'ensemble

Etude des racks RSF - EXPANDER 2

Une modif permettant d'adapter le SSM2056 à la place du SSM2050. Regardez sur le schémas pour les modifs.

Etude des racks RSF - EXPANDER 2

Quelques images des racks une fois terminés

Etude des racks RSF - EXPANDER 2
Etude des racks RSF - EXPANDER 2
Etude des racks RSF - EXPANDER 2
Partager cet article
Repost0
9 juillet 2017 7 09 /07 /juillet /2017 19:34

Tout dabord une vue de l'ensemble

Etude des racks RSF - EXPANDER 1

Carte EMBASE

Etude des racks RSF - EXPANDER 1
Etude des racks RSF - EXPANDER 1
Etude des racks RSF - EXPANDER 1

Carte KOBOL

Etude des racks RSF - EXPANDER 1
Etude des racks RSF - EXPANDER 1
Etude des racks RSF - EXPANDER 1
Etude des racks RSF - EXPANDER 1
Etude des racks RSF - EXPANDER 1

Petite modif au niveaux des résistances R135 et R207 "coiffées" d'un condensateur céramique

Pour R135 ---> 68pF

Pour R207 ---> 22nF

Etude des racks RSF - EXPANDER 1

Carte LFO/NOISE

Etude des racks RSF - EXPANDER 1
Etude des racks RSF - EXPANDER 1
Etude des racks RSF - EXPANDER 1

Et pour terminer le schémas de l'ensemble

Etude des racks RSF - EXPANDER 1

Les dernières séries de l'expander I ont été construite avec des SSM2056. Voiçi les plans de la modif.

Etude des racks RSF - EXPANDER 1
Etude des racks RSF - EXPANDER 1
Etude des racks RSF - EXPANDER 1
Partager cet article
Repost0
20 mars 2017 1 20 /03 /mars /2017 19:26
Accordage sur KORG TRIDENT MK I et MK II

TRIDENT MK 1

Nous allons en premier régler la tessiture du clavier sur la carte KLM-301.

- jouer C6 et ajuster VR-6

- jouer C3 et ajuster VR-7

- jouer C1 et ajuster VR-5

refaire plusieurs fois si nécessaire

 

Accordage sur KORG TRIDENT MK I et MK II

Tuner le VCO1

- mettre le VCO 2 sur "off"

- commencer par le canal 0 (led de gate allumée)

- jouer C6 et ajuster VR-2

- jouer C1 et ajuster VR-1 - répéter ces 2 dernières opérations si      nécessaire.

-répéter cette manip sur les voies 1 à 7

Tuner le VCO2

- mettre le bouton PW/PWM à 10 pour éliminer le son du VCO1

- commencer par le canal 0 (led de gate allumée)

- jouer C6 et ajuster VR-4

- jouer C1 et ajuster VR-3 - répéter ces 2 dernières opérations si nécessaire.

-répéter cette manip sur les voies 1 à 7

Accordage sur KORG TRIDENT MK I et MK II

Distribution des GATE sur MK 1

Accordage sur KORG TRIDENT MK I et MK II

TRIDENT MK II

Nous allons en premier régler la tessiture du clavier sur la carte KLM-379.

- jouer C6 et ajuster VR-4

- jouer C3 et ajuster VR-3

- jouer C1 et ajuster VR-5

refaire plusieurs fois si nécessaire

Accordage sur KORG TRIDENT MK I et MK II

Tuner le VCO1

- mettre le VCO 2 sur "off"

- commencer par le canal 7 (led de gate allumée)

- jouer C6 et ajuster VR-704

- jouer C1 et ajuster VR-703 - répéter ces 2 dernières opérations si      nécessaire.

-répéter cette manip sur les voies 1 à 7

Tuner le VCO2

- mettre le bouton PW/PWM à 10 pour éliminer le son du VCO1

- commencer par le canal 7 (led de gate allumée)

- jouer C6 et ajuster VR-702

- jouer C1 et ajuster VR-701 - répéter ces 2 dernières opérations si nécessaire.

-répéter cette manip sur les voies 0 à 6

Accordage sur KORG TRIDENT MK I et MK II

Distribution des GATE sur MK II

Accordage sur KORG TRIDENT MK I et MK II
Partager cet article
Repost0